فیلتر شنی تصفیه استخر ایمکس P650
فیلتر شنی تصفیه استخر ایمکس P700
فیلتر شنی تصفیه استخر ایمکس T500
فیلتر شنی تصفیه استخر ایمکس P650
فیلتر شنی تصفیه استخر ایمکس P700
فیلتر شنی تصفیه استخر ایمکس T500
مبدل حرارتی صفحهای (Plate Heat Exchanger)، که با نام مبدل صفحهای نیز شناخته میشود، یکی از پربازدهترین و مدرنترین تجهیزات برای انتقال حرارت بین دو سیال (مایع یا گاز) است. این دستگاهها به دلیل راندمان بسیار بالا، ابعاد فشرده و صرفهجویی در مصرف انرژی، به سرعت جایگزین منابع کویلی و مبدلهای پوستهولوله در بسیاری از کاربردها، به ویژه در مبدل موتورخانه برای تأمین آب گرم مصرفی شدهاند.
مبدلهای صفحهای بر اساس ساختار به دو دسته اصلی تقسیم میشوند که هر کدام ویژگیها و کاربردهای خاص خود را دارند.

این مبدلها، از تعدادی صفحه نازک از جنس استنلس استیل 316 تشکیل شدهاند که در شرایط خلاء به یکدیگر لحیم (Brazed) میشوند. این ساختار یکپارچه، مبدل را به یک بلوک فشرده و بسیار مقاوم تبدیل میکند.

این نوع مبدل، از مجموعهای از صفحات فلزی تشکیل شده که توسط واشرهای (Gaskets) پلیمری از یکدیگر جدا شدهاند. کل این مجموعه توسط پیچهای بلند فشاری (Compression Bolts) در یک قاب فلزی محکم نگه داشته میشود.
فراتر از اصول اولیه، طراحی مبدلهای صفحهای واشردار (Gasketed) شامل جزئیات مهندسی دقیقی است که مستقیماً بر عملکرد، بازده و کاربرد آنها تأثیر میگذارد.
سطح صفحات مبدل صرفاً صاف نیست، بلکه دارای الگوهای برجسته خاصی است که تلاطم جریان را افزایش داده و سطح انتقال حرارت را به حداکثر میرساند. انتخاب الگوی صحیح برای دستیابی به بهترین تعادل بین انتقال حرارت و افت فشار ضروری است.
نحوه عبور سیالات از میان صفحات میتواند به دو شکل اصلی طراحی شود:


مبدل بهداشتی (Sanitary Type): این مبدلها به طور خاص برای صنایعی طراحی شدهاند که نیازمند بالاترین استانداردهای بهداشتی هستند، مانند صنایع لبنی، دارویی، غذایی و نوشیدنی. تمام سطوح در تماس با محصول در این مدلها کاملاً بهداشتی و قابل شستشو هستند.
مبدل نیمهجوشی (Semi-Welded): این نوع مبدل یک راهکار هوشمندانه برای کار با سیالات خورنده یا مبردها (مانند آمونیاک) است. در این طراحی، دو صفحه به یکدیگر جوش داده میشوند تا یک "کاست" غیرقابل نفوذ برای سیال خورنده ایجاد کنند. سمت دیگر این کاست با یک واشر آببندی میشود که امکان باز کردن و تمیزکاری سمت سیال غیرخورنده (مانند آب) را فراهم میکند.
واشرها در مبدل صفحهای دو وظیفه اصلی دارند:
1. آببندی کامل: جلوگیری از هرگونه نشت سیال به بیرون از دستگاه.
2. هدایت جریان: طراحی واشرها به گونهای است که با قرارگیری متناوب، مسیر جریان سیال گرم و سرد را در کانالهای مجزا و به صورت یک در میان هدایت میکنند.
یک ویژگی ایمنی مهم در این مبدلها این است که فضای بین واشر آببندی اصلی و واشر محیطی به اتمسفر راه دارد. این طراحی تضمین میکند که در صورت بروز نشتی، دو سیال با یکدیگر مخلوط نشده و از آلودگی متقاطع جلوگیری میشود.
| ویژگی | مبدل صفحهای لحیمی | مبدل صفحهای واشردار |
|---|---|---|
| ساختار | صفحات در خلاء به یکدیگر لحیم شده و یک واحد یکپارچه را تشکیل میدهند. | مجموعهای از صفحات و واشرها که توسط پیچهای بلند در یک قاب نگهداری میشوند. |
| قابلیت باز شدن و سرویس | خیر، ساختار دستگاه غیر قابل باز شدن است | بله، به راحتی برای تمیزکاری، بازرسی و تعویض قطعات باز میشود |
| قابلیت تغییر ظرفیت | خیر، ظرفیت پس از تولید ثابت است | بله، با اضافه کردن یا کم کردن تعداد صفحات میتوان ظرفیت را تغییر داد |
| محدوده ظرفیت | کاربردهای خانگی، تجاری و صنعتی سبک تا متوسط | کاربردهای صنعتی سنگین با دبی و ظرفیت حرارتی بسیار بالا |
| مقاومت فشاری | بالا (تا 30 بار فشار کاری) | متناسب با طراحی و نیاز پروژه |
| مقاومت دمایی | بسیار بالا (از 196- تا 200+ درجه سانتیگراد) | وابسته به جنس واشر انتخابی (Nitrile-EPDM-Viton) |
| جنس صفحات | معمولاً استنلس استیل 316 | تنوع بالا (استنلس استیل، تیتانیوم، و ...) |
| کاربردهای اصلی | سیستمهای تهویه مطبوع (HVAC)، موتورخانه، پمپ حرارتی، چیلر و صنایع سبک | صنایع بزرگ شیمیایی، نفت و گاز، مواد غذایی و نوشیدنی، فرآیندهای صنعتی سنگین |
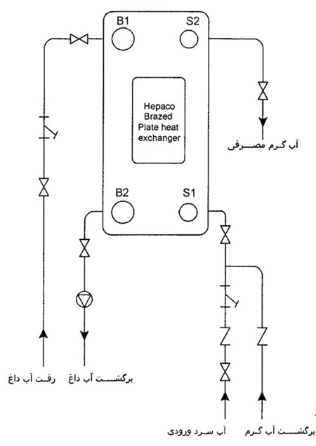
یکی از محبوبترین کاربردهای مبدل صفحهای، استفاده از آن در موتورخانهها برای تأمین فوری آب گرم بهداشتی است. در این سیستم، مبدل آبگرم موتورخانه جایگزین منابع دوجداره و کویلی قدیمی میشود.
نحوه کار: آب گرم دیگ از یک سمت مبدل عبور کرده و از سمت دیگر، آب سرد شهری وارد میشود. به دلیل راندمان بالای مبدل، حرارت به سرعت از آب دیگ به آب شهری منتقل شده و آب گرم مصرفی به صورت آنی و با دمای مطلوب تولید میشود.

صرفهجویی در مصرف انرژی: تا ۴۰% در مصرف انرژی صرفهجویی میکند.
کاهش چشمگیر فضا: ابعاد یک مبدل موتورخانه صفحهای بسیار کوچکتر از یک منبع کویلی با ظرفیت مشابه است.
تأمین آب گرم فوری و بدون نوسان: برخلاف منابع ذخیرهای، آب گرم به صورت لحظهای تولید میشود.
کاهش هزینهها: علاوه بر کاهش هزینه انرژی، قیمت مبدل حرارتی موتورخانه در مقایسه با خرید و نصب منابع قدیمی، بسیار مقرونبهصرفهتر است.
قیمت مبدل حرارتی صفحهای به عوامل متعددی بستگی دارد. اگر به دنبال استعلام قیمت مبدل صفحهای موتورخانه یا کاربردهای دیگر هستید، این موارد را در نظر بگیرید:
برای خرید مبدل حرارتی مناسب، به نکات زیر توجه کنید:
یکی از چالشهای رایج در سیستمهایی که با آب (بهویژه آب سخت) سروکار دارند، تشکیل رسوب است. مبدل حرارتی صفحهای نیز از این قاعده مستثنی نیست. رسوبگذاری (Fouling) زمانی اتفاق میافتد که املاح معدنی موجود در آب، مانند کلسیم و منیزیم، به دلیل افزایش دما از حالت محلول خارج شده و بر روی سطوح داغ صفحات مبدل تهنشین میشوند.
انباشت رسوب به مرور زمان یک لایه عایق حرارتی ایجاد کرده و کانالهای جریان را تنگتر میکند که منجر به مشکلات زیر میشود:
اگرچه طراحی مبدلهای صفحهای به گونهای است که تلاطم بالای جریان سیال، فرآیند رسوبگذاری را کاهش میدهد ، اما اقدامات پیشگیرانه زیر بسیار مؤثر است:
1. شستشو در محل (Clean-in-Place - CIP): این روش که به اسیدشویی معروف است، بهترین گزینه برای هر دو نوع مبدل لحیمی و واشردار است. در این فرآیند، بدون باز کردن مبدل، یک ماده شوینده سازگار (مانند اسیدهای ضعیف مخصوص) در یک مدار بسته از داخل آن به گردش در میآید تا رسوبات را در خود حل کرده و خارج کند.
2. تمیزکاری دستی (Manual Cleaning): این روش فقط برای مبدلهای واشردار امکانپذیر است. در این حالت، پیچهای قاب باز شده و صفحات از یکدیگر جدا میشوند. سپس میتوان هر صفحه را به صورت دستی و با استفاده از واترجت فشار قوی و برس نرم تمیز کرد.
هشدار: فرآیند اسیدشویی باید حتماً توسط سرویسکاران مجرب و با استفاده از مواد شیمیایی استاندارد و با غلظت مناسب انجام شود تا از آسیب رسیدن به صفحات استیل، لحیم مس (در مبدلهای لحیمی) یا واشرها (در مبدلهای واشردار) جلوگیری گردد.
لطفا ابتدا وارد شوید
ورود